您当前的位置:首页 > 信息公开 > 霍山县林业局 > 财政资金 > 部门项目

霍山县林业局2025年部门项目支出预算安排情况及绩效目标表

浏览次数: 发表时间:2025-02-08 10:29 信息来源:霍山县林业局  字体:[  ]

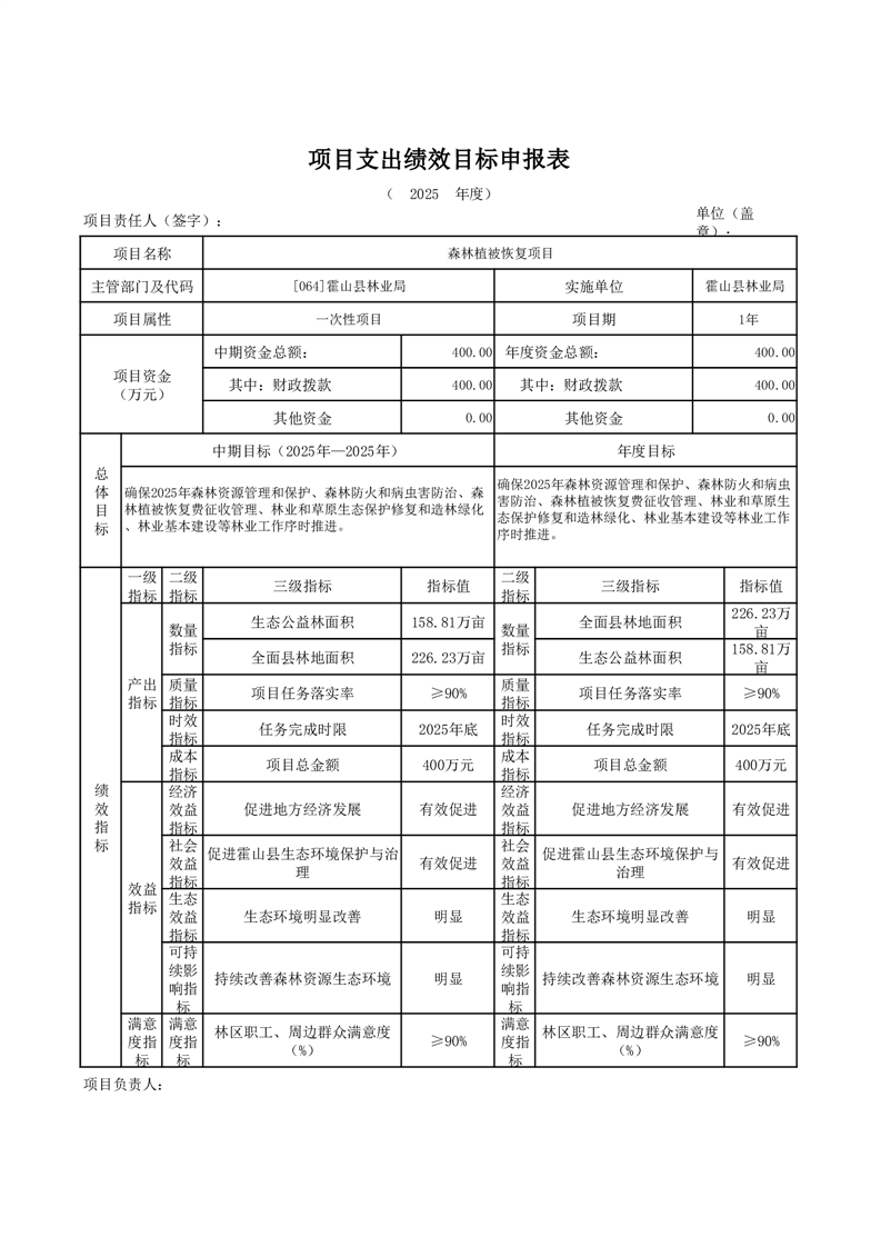
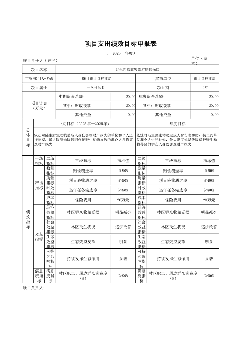
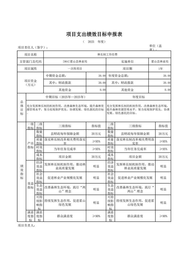
霍山县林业局2025年部门项目支出预算安排情况及绩效目标表


霍山县林业2025年预算共安排项目支出2117.71万元,较2024年预算增加728.00万元,增长52.39%,增长原因主要是大别山水土保持与生态修复项目未实施完成。主要包括:本年财政拨款安排 1229.71万元(其中,一般公共预算拨款安排 1229.71万元),财政拨款结转结余安排888.00万元(其中,一般公共预算拨款安排888.00万元),财政专户管理资金安排0万元,单位资金安排0万元。

政策咨询

如果您对该政策文件有疑问,可以拨打标题上方的电话咨询相关部门。

扫一扫在手机打开当前页
标签: